Dette dokument beskriver projektstrukturen i Organdonorregister-servicen og har derudover til formål at gøre det muligt for andre end den oprindelige leverandør at overtage videreudvikling af projektet. Dokumentet bygger videre på informationen beskrevet i de andre dokumenter tilhørende projektet.
Projektet er opbygget som et Maven multi-module project, hvor nogle moduler kompilerer til jar-filer og andre til war-filer. De nævnes her i den rækkefølge de kompileres:
odr-schemas
JAX-WS-artifakt generator genererer Java-klasser ud fra projektets WSDL-filer.
odr-service
Selve servicens funktionalitet.
Version | Dato | Ændring | Ansvarlig |
|---|---|---|---|
1.0.0 | 2018-08-30 | Initialt dokument | Trifork |
| 1.0.13 | 2019-25-09 | Ajourført | Trifork |
| 1.0.16 | 2020-05-25 | Tilføjet byg vha. Docker | KIT |
Projektet bygges og unit tests afvikles med følgende Maven kommando:
mvn clean install
Der genereres desuden en testrapport.
Ved afvikling af unit-tests, anvendes en in-memory database, som automatisk startes op, når unit-tests køres. Det er derfor ikke nødvendigt at starte en ekstern database op ifm. unit-test.
I application.properties-filen i projektet er datasources som default sat til at anvende root-user med tomt password. Database-strukturen bliver automatisk oprettet vha. Flyway SQL-scripter, når unit-testene afvikles.
Servicen benytter i udviklingssammenhæng Flyway, hvilket gør at databasen i udviklingsmiljøet automatisk opdateres til gældende version.
XSDerne der eksporteres og benyttes i servicen ligger i modulet organdonor-schema. Der genereres JAXB-klasser som defineret i modulets pom.xml
Der er behov for adgange til følgende systemer:
Al kode findes i NSP Git: https://git.nspop.dk/scm/com/organdonorregister-service.git
Efter at projektet er checket ud vil man typisk gøre følgende:
Opsætte udviklingsmiljø (her antages IntelliJ)
Bygge war-filen med Maven og køre tests
Følgende software er nødvendigt for at bygge projektet:
Java 8
Maven
Gennemfør følgende steps for at bygge WAR filer:
Når man udvikler kan det være praktisk at deploye applikationen lokalt. Dette kan gøres vha. Docker Compose-filen under compose/development/docker-compose.yml.
docker-compose up -d --build |
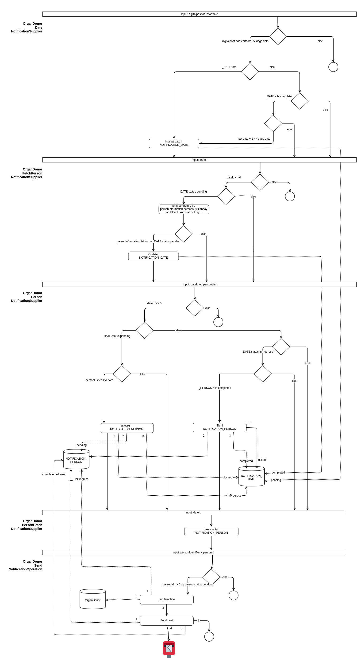
I forbindelse med udvikling af notifiationsjobbet til afsendelse af digital post, er følgende diagram udarbejdet. Det er sat ind her, da det kan bidrage til en forståelse af, hvordan logikken fungerer på tværs af de forskellige operationer jobbet har.
![]()